Valuta
RON
  • BGN
  • EUR
  • RON
Limbă

Set chei speciale pentru pompe de injecție Bosch VE și VP

Preț 160.48Lei
  • Cod:
    106534
  • Greutate:
    0.502 Kg

Set profesional de chei speciale cu profile triunghiulare și cu două fețe pentru service-ul pompelor de injecție diesel Bosch VE și VP, inclusiv VP37.

Livrare estimata

în afara Varna începe la 21.03Lei pentru Varna începe de la 21.03Lei

Avem 32 în stoc

Îmi doresc

Acest set profesional de chei speciale este conceput pentru desfacerea șuruburilor triunghiulare și cu două fețe de pe pompele de injecție diesel Bosch și unitățile de reglare a cantității de combustibil.
Uneltele sunt necesare pentru demontarea pompei de injecție sau pentru recondiționarea și etanșarea acesteia.

Setul este compatibil cu pompele de injecție Bosch VP37, precum și cu modele similare de la producători precum Delphi și Kikki.


Date tehnice

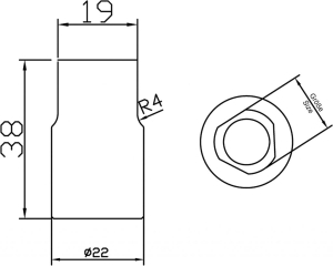
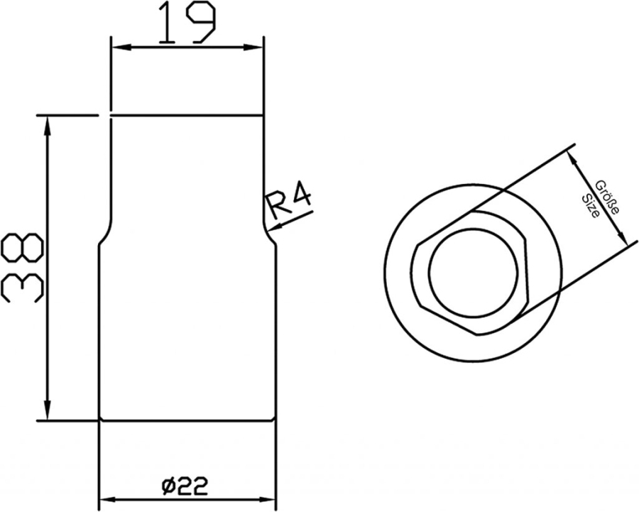
Cheie tubulară – Art. nr. 103546

  • Utilizare: Demontarea șurubului capacului pompei EDC

  • Formă: Triunghiulară

  • Înălțime triunghi: 7 mm

  • Lungime: 36 mm

  • Adâncime utilă: 17 mm

  • Prindere: Hex exterior 13 mm

  • Material: Oțel crom-molibden

Cheie tubulară – Art. nr. 103535

  • Utilizare: Demontarea șuruburilor capacului pompei

  • Formă: Triunghiulară

  • Înălțime triunghi: 13 mm

  • Lungime: 37,5 mm

  • Adâncime utilă: 17 mm

  • Prindere: Pătrat interior 1/2" (12,5 mm)

  • Material: Oțel crom-vanadiu

Cheie tubulară – Art. nr. 103497

  • Utilizare: Demontarea capacului suportului pentru ceas comparator / șurubul central lateral mare

  • Formă: Triunghiulară

  • Înălțime triunghi: 26 mm

  • Lungime: 42 mm

  • Adâncime utilă: 23 mm

  • Prindere: Pătrat interior 1/2" (12,5 mm)

  • Material: Oțel crom-vanadiu

Cheie tubulară – Art. nr. 103532

  • Utilizare: Demontarea supapei de control al presiunii

  • Formă: Cu două fețe

  • Înălțime: 10 mm

  • Lungime: 80 mm

  • Adâncime utilă: 14 mm

  • Prindere: Pătrat interior 1/2" (12,5 mm)

  • Material: Oțel crom-vanadiu


Compatibilitate pompe de injecție

  • Pompe de injecție Bosch VP37

  • Pompe similare de la Delphi, Kikki și alți producători


Conținutul livrării

  • 1 × Cheie triunghiulară pentru capacul pompei EDC (Art. 103546)

  • 1 × Cheie triunghiulară pentru șuruburile capacului pompei (Art. 103535)

  • 1 × Cheie triunghiulară pentru capacul suportului ceasului comparator / șurub central (Art. 103497)

  • 1 × Cheie cu două fețe pentru demontarea supapei de control al presiunii (Art. 103532)